聯(lián)系人:鐘先生
郵 箱:[email protected]
電 話:138-1293-0229
地 址:昆山市周市鎮(zhèn)盛帆路268號
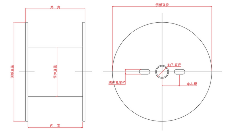
國標線盤尺寸參考:

型號 | 外徑D1 | 筒徑D2 | 內寬L2 | 外寬L1 | 中心孔D3 | R | 結構 |
PN250 | 250 | 100 | 180 | 210 | 25/30/37 | 7.5 | PS/ABS |
PN300 | 300 | 160 | 250 | 280 | 40 | 7.5 | PS/ABS |
PB300 | 300 | 217 | 270 | 290 | 125 | Ф18 | 平板 |
PN315A | 315 | 130 | 160 | 190 | 25/30/40 | 9 | PS/ABS |
PN315B | 315 | 130 | 220 | 250 | 25/30/40 | 9 | PS/ABS |
PN350 | 350 | 160 | 250 | 290 | 30/40 | 9 | PS/ABS |
PN400A-1 | 400 | 200 | 121 | 155 | 40/56/70 | 10 | ABS |
PN400A-2 | 400 | 200 | 250 | 300 | 40/56/70 | 10 | ABS |
PN400A-3 | 400 | 200 | 265 | 300 | 40/56/70 | 10 | ABS |
PN400A-4 | 400 | 200 | 280 | 312 | 40/56/70 | 10 | ABS |
PN400B-1 | 400 | 200 | 250 | 290 | 40/56/70 | 10 | ABS |
PN400B-2 | 400 | 200 | 265 | 305 | 40/56/70 | 10 | ABS |
PN400B-3 | 400 | 200 | 280 | 320 | 40/56/70 | 10 | ABS |
PB400 | 400 | 217 | 250 | 270 | 70 | Ф16 | 平板 |
PN500A-1 | 500 | 250 | 250 | 300 | 40/56/80 | 12.5 | ABS |
PN500A-2 | 500 | 250 | 280 | 320 | 40/56/80 | 12.5 | ABS |
PN500A-3 | 500 | 250 | 315 | 375 | 40/56/80 | 12.5 | ABS |
PN500B-1 | 500 | 250 | 250 | 300 | 40/56/80 | 12.5 | ABS |
PN500B-2 | 500 | 250 | 315 | 375 | 40/56/80 | 12.5 | ABS |
PN500C-1 | 500 | 250 | 250 | 305 | 40/56/80 | 12.5 | ABS |
PN500C-2 | 500 | 250 | 315 | 375 | 40/56/80 | 12.5 | ABS |
PN500D | 500 | 320 | 200 | 250 | 40/56/80 | 12.5 | ABS |
PB500 | 500 | 217 | 300 | 320 | 70 | Ф20 | 平板 |
PN630A-1 | 630 | 250 | 315 | 375 | 56/80 | 12.5 | ABS |
PN630A-2 | 630 | 250 | 415 | 475 | 56/80 | 12.5 | ABS |
PN630B-1 | 630 | 315 | 315 | 375 | 56/80 | 12.5 | ABS |
PN630B-2 | 630 | 315 | 415 | 475 | 56/80 | 12.5 | ABS |
PB630 | 630 | 357 | 400 | 475 | 125 | Ф28 | 平板 |
PN800A-1 | 800 | 315 | 415 | 500 | 80/127 | 15 | ABS |
PN800A-2 | 800 | 400 | 500 | 600 | 80/127 | 15 | ABS/瓦楞 |
PN800A-3 | 800 | 315 | 530 | 600 | 80/127 | 15 | ABS |
PB800 | 800 | 400 | 500 | 536 | 127 | Ф40 | 平板 |
PN1000 | 1000 | 500 | 630 | 710 | 80/127 | 20 | ABS |
PN1000 | 1000 | 500 | 630 | 750 | 80/125 | 40*80 | 瓦楞 |
PN1250 | 1250 | 630 | 800 | 950 | 80/125 | 40*80 | 瓦楞 |
PN1400 | 1400 | 710 | 900 | 1060 | 80/125 | 70*130 | 瓦楞 |
PN1600 | 1600 | 800 | 1000 | 1180 | 80/125 | 70*130 | 瓦楞 |
PN1800 | 1800 | 1000 | 1120 | 1320 | 100/125 | 70*130 | 瓦楞 |
PN2000 | 2000 | 1120 | 1250 | 1500 | 125 | 70*131 | 瓦楞 |